Điốt Laser kết hợp sợi quang Fabry Perot FP 850nm
  • Điốt Laser kết hợp sợi quang Fabry Perot FP 850nm Điốt Laser kết hợp sợi quang Fabry Perot FP 850nm
  • Điốt Laser kết hợp sợi quang Fabry Perot FP 850nm Điốt Laser kết hợp sợi quang Fabry Perot FP 850nm
  • Điốt Laser kết hợp sợi quang Fabry Perot FP 850nm Điốt Laser kết hợp sợi quang Fabry Perot FP 850nm
  • Điốt Laser kết hợp sợi quang Fabry Perot FP 850nm Điốt Laser kết hợp sợi quang Fabry Perot FP 850nm
  • Điốt Laser kết hợp sợi quang Fabry Perot FP 850nm Điốt Laser kết hợp sợi quang Fabry Perot FP 850nm

Điốt Laser kết hợp sợi quang Fabry Perot FP 850nm

Đi-ốt laser bướm đa chế độ dọc 850nm Fabry-Perot (FP), có gói bướm tiêu chuẩn với PD giám sát và kiểm soát nhiệt độ TEC tích hợp, mang lại đầu ra quang học ổn định và đáng tin cậy.

Gửi yêu cầu

Mô tả Sản phẩm

Đi-ốt laser bướm đa chế độ dọc 850nm Fabry-Perot (FP), có gói bướm tiêu chuẩn với PD giám sát và kiểm soát nhiệt độ TEC tích hợp, mang lại đầu ra quang học ổn định và đáng tin cậy.


Đặc trưng

Gói Bướm 14pin;

Tích hợp nhiệt điện trở và TEC;

Loại sợi có thể là sợi SM630-HP;

Nhiệt độ hoạt động:-20~ +70oC.


Ứng dụng

Dụng cụ quang học;

Nguồn laze.


Đặc tính quang điện (T=25oC)

tham số Biểu tượng Tình trạng Tối thiểu. Đánh máy. Tối đa. Đơn vị
Bước sóng hoạt động λc CW, 25oC 840 850 860 bước sóng
Công suất đầu ra quang học PF - 30 - - mW
Ngưỡng hiện tại thứ nhất 25oC - 10 35 ma
Dòng điện hoạt động IOP CW - 255 275 ma
Điện áp hoạt động VOP 25oC - 2.1 2.3 V
Theo dõi hiện tại IMON VRM = 5V 50 - 1500 μA
MPD Dòng điện tối NHẬN DẠNG VRM = 5V - - 50 μA
Điện trở nhiệt RTH 25oC 9.5 10 10.5
Giá trị B của điện trở nhiệt β 25oC/80oC - 3950 - K


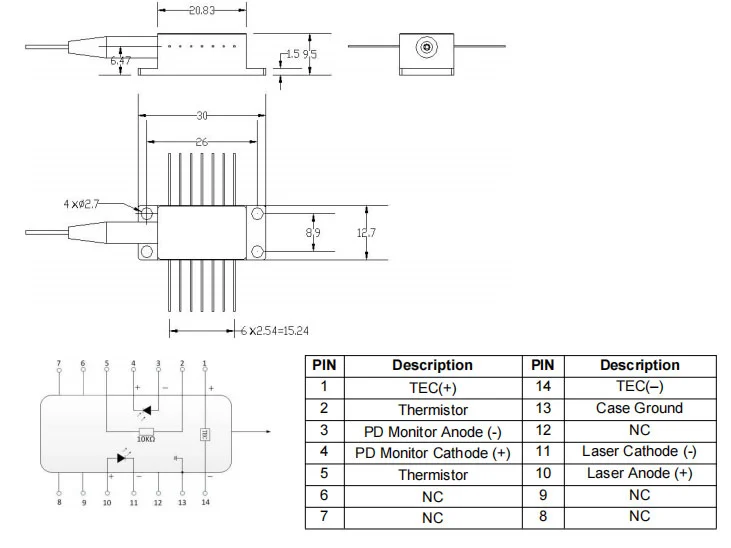
Bản vẽ gói & Định nghĩa PIN-OUT (Đơn vị: mm)

850nm Fabry Perot Fp Fiber Coupled Laser Diode


Giao hàng, vận chuyển và phục vụ

Tất cả các sản phẩm đã được kiểm tra trước khi vận chuyển;

Tất cả các sản phẩm đều được bảo hành 1-3 năm. (Sau thời gian đảm bảo chất lượng bắt đầu tính phí dịch vụ bảo trì phù hợp.)

Chúng tôi đánh giá cao hoạt động kinh doanh của bạn và đưa ra chính sách hoàn trả ngay lập tức trong 7 ngày. (7 ngày sau khi nhận được hàng);

Nếu các mặt hàng bạn mua từ cửa hàng của chúng tôi không có chất lượng hoàn hảo, tức là chúng không hoạt động về mặt điện tử theo thông số kỹ thuật của nhà sản xuất, bạn chỉ cần trả lại chúng cho chúng tôi để thay thế hoặc hoàn lại tiền;

Nếu hàng bị lỗi, vui lòng thông báo cho chúng tôi trong vòng 3 ngày kể từ ngày giao hàng;

Bất kỳ mặt hàng nào phải được trả lại trong tình trạng ban đầu để đủ điều kiện được hoàn lại tiền hoặc thay thế;

Người mua chịu trách nhiệm cho tất cả các chi phí vận chuyển phát sinh.

850nm Fabry Perot Fp Fiber Coupled Laser Diode


Câu hỏi thường gặp

Hỏi: Có sẵn trình điều khiển laser phù hợp không?

Đ: Vâng. Chúng ta cũng có thể tích hợp diode và trình điều khiển để trở thành mô-đun nguồn laser.


Hỏi: Bạn có loại laser FP bước sóng nào khác không?

Đ: Có, 488nm/ 520nm/ 532nm/ 660nm/ 850nm/ 1064nm... Vui lòng liên hệ với chúng tôi để biết thêm chi tiết.


Thẻ nóng: Điốt laser kết hợp sợi quang 850nm Fabry Perot FP, Nhà sản xuất, Nhà cung cấp, Bán buôn, Nhà máy, Tùy chỉnh, Số lượng lớn, Trung Quốc, Sản xuất tại Trung Quốc, Giá rẻ, Giá thấp, Chất lượng

Danh mục liên quan

Gửi yêu cầu

Xin vui lòng gửi yêu cầu của bạn trong mẫu dưới đây. Chúng tôi sẽ trả lời bạn trong 24 giờ.
X
Chúng tôi sử dụng cookie để cung cấp cho bạn trải nghiệm duyệt web tốt hơn, phân tích lưu lượng truy cập trang web và cá nhân hóa nội dung. Bằng cách sử dụng trang web này, bạn đồng ý với việc chúng tôi sử dụng cookie. Chính sách bảo mật
Từ chối Chấp nhận