Điốt Laser DFB 1653nm 40mW cho cảm biến khí mêtan Cảm biến CH4 sử dụng cấu trúc phẳng với chip trên sóng mang phụ. Chip công suất cao được bịt kín trong gói bướm 14 chân không chứa epoxy và không chứa chất trợ dung, đồng thời được trang bị nhiệt điện trở, bộ làm mát nhiệt điện và đi-ốt giám sát để đảm bảo hiệu suất laser chất lượng cao. Các sản phẩm laser của chúng tôi đạt tiêu chuẩn Telcordia GR-468 và tuân thủ các chỉ thị RoHS.
Điốt Laser DFB 1653nm 40mW cho cảm biến khí mêtan Cảm biến CH4 sử dụng cấu trúc phẳng với chip trên sóng mang phụ. Chip công suất cao được bịt kín trong gói bướm 14 chân không chứa epoxy và không chứa chất trợ dung, đồng thời được trang bị nhiệt điện trở, bộ làm mát nhiệt điện và đi-ốt giám sát để đảm bảo hiệu suất laser chất lượng cao. Các sản phẩm laser của chúng tôi đạt tiêu chuẩn Telcordia GR-468 và tuân thủ các chỉ thị RoHS.
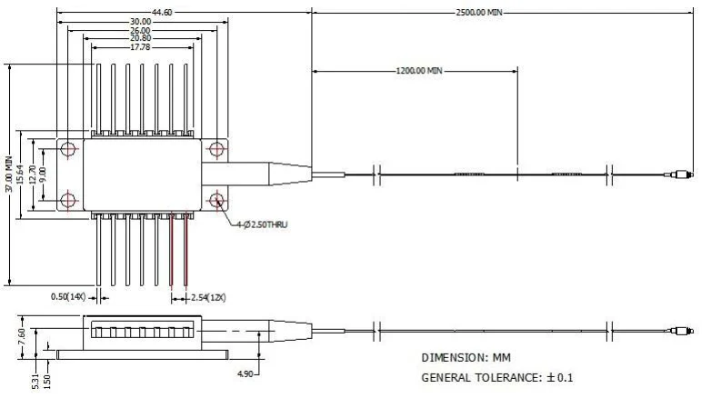
Gói bướm 14 chân tiêu chuẩn công nghiệp;
Tích hợp TEC và bộ cách ly quang học;
Laser phản hồi phân tán (DFB) hiệu suất cao, giếng đa lượng tử (MQW).
Thử nghiệm sản xuất các bộ phận thụ động để phát hiện khí;
Hệ thống phát hiện khí sợi;
Nguồn laze.
| tham số | Biểu tượng | Tình trạng | Tối thiểu. | Đánh máy. | Tối đa. | Đơn vị |
| Bước sóng trung tâm | λc | TL=15~35°CW | 1652.7 | 1653.7 | 1654.7 | bước sóng |
| Công suất đầu ra quang học | Po | CW | - | 40 | - | mW |
| LD Ngưỡng hiện tại | thứ nhất | CW | - | 15 | 40 | ma |
| LD Chuyển tiếp hiện tại | Nếu như | Pf = Công suất định mức | - | 300 | 400 | ma |
| Cách ly quang học | - | -10 |
30
|
-
|
-
|
dB |
|
| Tỷ lệ triệt tiêu chế độ bên | SMSR | CW | 35 | 40 | - | dB |
| Giám sát phản hồi | Tôi /Pf | - | - | 1 | 20 | uA/mW |
| Giám sát độ ổn định phản hồi | - | - | - | - | 20% | - |
| Theo dõi dòng điện tối | Nhận dạng | VPD = 5V | - | - | 50 | nA |
| TEC hiện tại | ITEC | Trường hợp = 75oC | - | - | 2 | A |
| Điện áp TEC | VTEC | Trường hợp = 75oC | - | - | 3.5 | V |
| Tiêu thụ điện năng của TEC | P | Tstg = 25oC | - | - | 5 | W |
| Điện trở nhiệt | thứ | Trường hợp = 75oC | 9.5 | 10 | 10.5 | Kohm |
| Điện trở nhiệt B không đổi | Bth | Tstg = 25oC | - | 3900 | - | K |
| Độ lệch bước sóng (EOL) | △λ | Đã được thử nghiệm trong vòng đời 25 năm | - | - | ±0,1 | bước sóng |
| Sóng. Hệ số nhiệt độ | Δλ/ΔT | Nhiệt độ TEC ở 15oC đến 35oC | - | 0.09 | - | nm/oC |
| Hệ số dòng điện bước sóng | Δλ/ΔΙ | - | - | 0.01 | - | nm/mA |

Tất cả các sản phẩm đã được kiểm tra trước khi vận chuyển;
Tất cả các sản phẩm đều được bảo hành 1-3 năm. (Sau thời gian đảm bảo chất lượng bắt đầu tính phí dịch vụ bảo trì phù hợp.)
Chúng tôi đánh giá cao hoạt động kinh doanh của bạn và cung cấp chính sách hoàn trả ngay lập tức trong 7 ngày. (7 ngày sau khi nhận được hàng);
Nếu các mặt hàng bạn mua từ cửa hàng của chúng tôi không có chất lượng hoàn hảo, tức là chúng không hoạt động về mặt điện tử theo thông số kỹ thuật của nhà sản xuất, bạn chỉ cần trả lại chúng cho chúng tôi để thay thế hoặc hoàn lại tiền;
Nếu hàng bị lỗi, vui lòng thông báo cho chúng tôi trong vòng 3 ngày kể từ ngày giao hàng;
Bất kỳ mặt hàng nào phải được trả lại trong tình trạng ban đầu để đủ điều kiện được hoàn lại tiền hoặc thay thế;
Người mua chịu trách nhiệm cho tất cả các chi phí vận chuyển phát sinh.
Hỏi: Độ chính xác của bước sóng là gì?
Đáp: +/- 0,5nm.
Q: Bạn có phiên bản khác của công suất đầu ra không?
Đáp: 10mW, 15mW, 50mW.
Bản quyền @ 2020 Công ty TNHH Công nghệ Quang học Hộp Thâm Quyến - Mô-đun sợi quang Trung Quốc, Nhà sản xuất Laser ghép sợi quang, Nhà cung cấp linh kiện Laser Mọi quyền được bảo lưu.