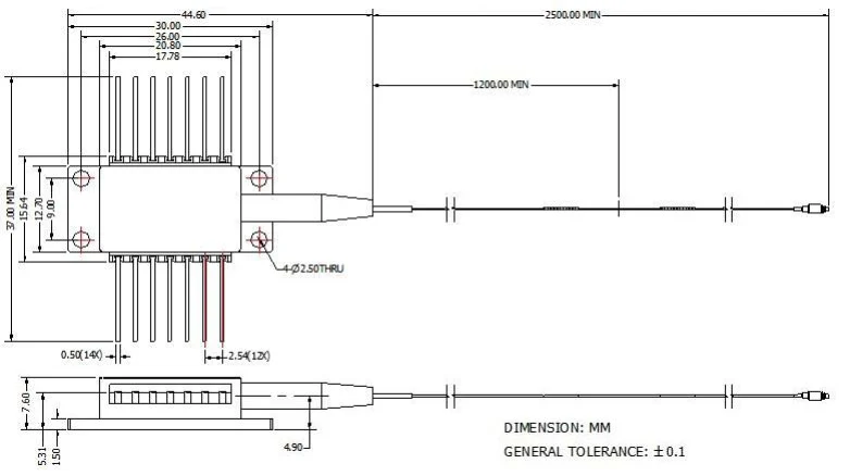
Mô-đun Laser 1653,7nm công suất cao sử dụng cấu trúc phẳng với chip trên sóng mang phụ. cao chip nguồn được bịt kín trong gói bướm 14 chân không chứa epoxy và không chứa chất trợ dung và được trang bị một nhiệt điện trở, bộ làm mát nhiệt điện và điốt giám sát để đảm bảo hiệu suất laser chất lượng cao. Điốt laser BTF 1653nm 40mW để phát hiện khí metan đạt tiêu chuẩn Telcordia GR-468 và tuân thủ các chỉ thị RoHS.
Mô-đun Laser 1653,7nm công suất cao sử dụng cấu trúc phẳng với chip trên sóng mang phụ. Chip công suất cao được bịt kín trong gói bướm 14 chân không chứa epoxy và không chứa chất trợ dung, đồng thời được trang bị nhiệt điện trở, bộ làm mát nhiệt điện và đi-ốt giám sát để đảm bảo hiệu suất laser chất lượng cao. Các sản phẩm laser của chúng tôi đạt tiêu chuẩn Telcordia GR-468 và tuân thủ các chỉ thị RoHS.
● Gói bướm 14 chân tiêu chuẩn công nghiệp;
● Tích hợp TEC và bộ cách ly quang học;
● Laser phản hồi phân tán (DFB) giếng đa lượng tử (MQW) hiệu suất cao.
● Thử nghiệm sản xuất các bộ phận thụ động để phát hiện khí;
● Hệ thống phát hiện khí sợi;
● Nguồn laser.
| tham số | Biểu tượng | Tình trạng | Tối thiểu. | Đánh máy. | Tối đa. | Đơn vị |
| Bước sóng trung tâm | lc | Tl = 15 ~ 35 oC qu | 1652.7 | 1653.7 | 1654.7 | bước sóng |
| Công suất đầu ra quang học | Sau đó | CW | - | 40 | - | mW |
| LD Ngưỡng hiện tại | thứ nhất | CW | - | 15 | 40 | ma |
| LD Chuyển tiếp hiện tại | Nếu như | Pf = Công suất định mức | - | 300 | 400 | ma |
| Cách ly quang học | - | -10 |
30
|
-
|
-
|
dB |
|
| Tỷ lệ triệt tiêu chế độ bên | SMSR | CW | 35 | 40 | - | dB |
| Giám sát phản hồi | tiêm chủng | - | - | 1 | 20 | đã / mw |
| Giám sát độ ổn định phản hồi | - | - | - | - | 20% | - |
| Theo dõi dòng điện tối | Nhận dạng | VPD = 5V | - | - | 50 | nA |
| TEC hiện tại | ITEC | Trường hợp = 75oC | - | - | 2 | A |
| Điện áp TEC | VTEC | Trường hợp = 75oC | - | - | 3.5 | V |
| Tiêu thụ điện năng của TEC | P | Tstg = 25oC | - | - | 5 | W |
| Điện trở nhiệt | thứ | Trường hợp = 75oC | 9.5 | 10 | 10.5 | Kohm |
| Điện trở nhiệt B không đổi | Bth | Tstg = 25oC | - | 3900 | - | K |
| Độ lệch bước sóng (EOL) | △λ | Đã được thử nghiệm trong vòng đời 25 năm | - | - | ±0,1 | bước sóng |
| Sóng. Hệ số nhiệt độ | Dl/Dt | Nhiệt độ TEC ở 15oC đến 35oC | - | 0.09 | - | nm/oC |
| Hệ số dòng điện bước sóng | Dl/DI | - | - | 0.01 | - | NM/trong |

Tất cả các sản phẩm đã được kiểm tra trước khi vận chuyển;
Tất cả các sản phẩm đều được bảo hành 1 năm. (Sau thời gian đảm bảo chất lượng bắt đầu tính phí dịch vụ bảo trì phù hợp.)
Chúng tôi đánh giá cao hoạt động kinh doanh của bạn và cung cấp chính sách hoàn trả ngay lập tức trong 7 ngày. (7 ngày sau khi nhận được hàng);
Nếu các mặt hàng bạn mua từ cửa hàng của chúng tôi không có chất lượng hoàn hảo, tức là chúng không hoạt động về mặt điện tử theo thông số kỹ thuật của nhà sản xuất, bạn chỉ cần trả lại chúng cho chúng tôi để thay thế hoặc hoàn lại tiền;
Nếu hàng bị lỗi, vui lòng thông báo cho chúng tôi trong vòng 3 ngày kể từ ngày giao hàng;
Bất kỳ mặt hàng nào phải được trả lại trong tình trạng ban đầu để đủ điều kiện được hoàn lại tiền hoặc thay thế;
Người mua chịu trách nhiệm cho tất cả các chi phí vận chuyển phát sinh.
Hỏi: Độ chính xác của bước sóng là gì?
Đáp: +/- 0,5nm.
Q: Bạn có phiên bản khác của công suất đầu ra không?
Đáp: 10mW, 15mW, 50mW.
Lắp ráp Laser có thể điều chỉnh băng thông hẹp tích hợp băng tần C ITLA
1550nm 40mW 200Khz Băng thông hẹp DFB Butterfly Laser Diode
Gói bướm 1550nm 40mW 600Khz DFB Điốt laser băng thông hẹp
Đi-ốt Laser hình cánh bướm DFB 1550nm 50mW 100Khz
Đi-ốt Laser đồng trục có độ rộng đường truyền hẹp 1550nm 2mW 5mW
1550nm 100mW 100kHz laser laser laser diode btf với sợi sm/pmBản quyền @ 2020 Công ty TNHH Công nghệ Optronics của Thâm Quyến - Công ty TNHH Trung Quốc, các nhà sản xuất laser kết hợp sợi, các nhà cung cấp linh kiện laser đều có quyền.